Volvo N12 Wiring Diagram

Download Volvo N12 Wiring Diagram Pictures. On this page you can free download workshop repair manuals pdf for volvo trucks, and also fault codes pdf and wiring diagrams. Related products for volvo trucks fm7/9/10/12, fh12/16, nh12 wiring diagrams manual pdf

Volvo Truck D13 A Wiring Diagram Link J1939
Volvo Truck D13 A Wiring Diagram Link J1939 from wimanual.com
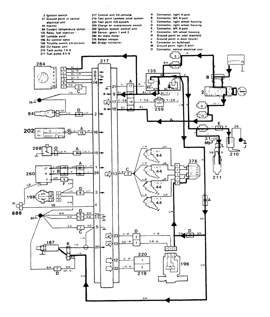
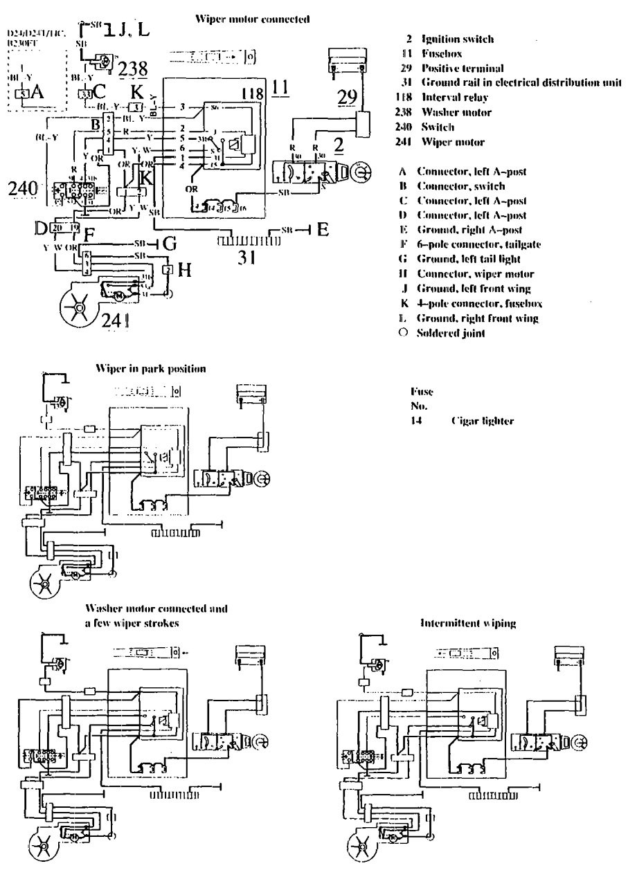
Page 6 www.motodiesel.ir group 37 wiring diagram fh12, fh16 lhd examples of symbols on wiring diagram bulb bulb, full beams and dipped beams bulb, tail light alternator starter motor washer motor windscreen wiper motor solenoid. Volvo truck repairs and maintenance manual free download. Bulb bulb, full beams and dipped beams bulb, tail light alternator starter motor washer motor windscreen wiper motor solenoid valve with diode pressure sensor temperature sensor level sensor.

The program volvo ewd (electronic wiring diagram) contains the electrical circuits for automobiles volvo current models from 2004 to 2010 year.

Volvo truck wiring diagrams pdf; View and download volvo fh12 lhd wiring diagram online. Please users mhhauto could you please share, latest volvo wiring diagram fh,fm fh4. Volvo truck wiring diagrams pdf;


Belum ada Komentar untuk "Volvo N12 Wiring Diagram"

Posting Komentar

Iklan Atas Artikel

Iklan Tengah Artikel 1

Iklan Tengah Artikel 2

Iklan Bawah Artikel