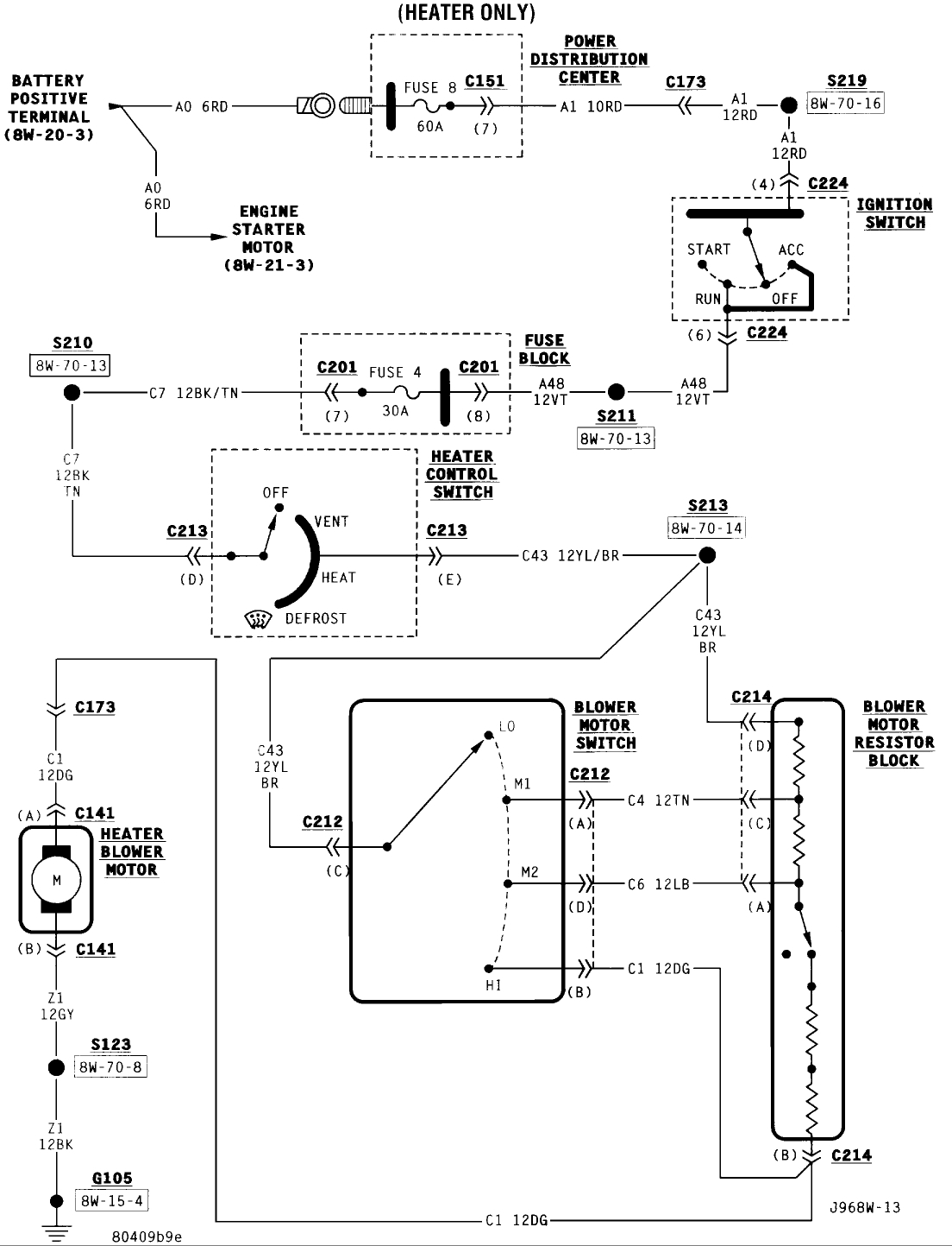
1996 Jeep Grand Cherokee Blower Motor Wiring Diagram

50+ 1996 Jeep Grand Cherokee Blower Motor Wiring Diagram
PNG
. Never use a jumper wire across a load, such as a motor. Cherokee 1989 legend of symbols used on wiring diagrams.

Blower Motor Inop(Please read) - Jeep Cherokee Forum
Blower Motor Inop(Please read) - Jeep Cherokee Forum from www.cherokeeforum.com
The jeep grand cherokee vm 3.0l diesel engine. Here you will find fuse box diagrams of. 1993 wiring diagrams jeep wiring diagrams.

Wiring diagram grand cherokee jeep 1997 specificaly, about whay wiring circuit diagram?

This fuel pump relay circuit wiring diagram applies to the following vehicles: Blower motor wiring repair kit # 05102406aa. I t can be used to bypass an open i n a ci rcui t. Window regulator & motor assemblies.


Belum ada Komentar untuk "1996 Jeep Grand Cherokee Blower Motor Wiring Diagram"

Posting Komentar

Iklan Atas Artikel

Iklan Tengah Artikel 1

Iklan Tengah Artikel 2

Iklan Bawah Artikel