Volvo Fh4 User Wiring Diagram

Download Volvo Fh4 User Wiring Diagram Pics. Volvo fm, fh , nh12 version2 truck wiring diagram service manual (dec. 2005) download complete volvo wiring service manual for volvo.

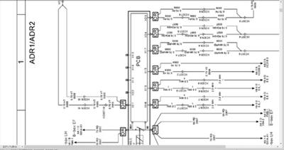
2005 Volvo S40 Radio Wiring Diagram - Wiring Schema
2005 Volvo S40 Radio Wiring Diagram - Wiring Schema from lh6.googleusercontent.com
Volvo fh4 manuals and wiring diagrams! The program volvo ewd (electronic wiring diagram) contains the electrical circuits for automobiles volvo current models from 2004 to 2010 year. Volvo fm, fh , nh12 version2 truck wiring diagram service manual (dec.

You may have to register before you can post:

It replaced a ruler called f cabover, which has been assembled in the factory for 15 years. Downloaded here some electric wiring diagrams for version 4 fh and fm all in english language thanks and rep for pass only pm ! T3009608 refer to the list of contents for the designation of the wiring diagram. The program volvo ewd (electronic wiring diagram) contains the electrical circuits for automobiles volvo current models from 2004 to 2010 year.


Belum ada Komentar untuk "Volvo Fh4 User Wiring Diagram"

Posting Komentar

Iklan Atas Artikel

Iklan Tengah Artikel 1

Iklan Tengah Artikel 2

Iklan Bawah Artikel